Mã QR
Về chúng tôi
Các sản phẩm
Liên hệ chúng tôi

Điện thoại

Số fax
+86-574-87168065

E-mail

Địa chỉ
Khu công nghiệp Luotuo, Quận Zhenhai, Thành phố Ningbo, Trung Quốc
Raydafon sườn SWC-DH loại hàn flex ngắn khớp nối được xây dựng để kết nối các trục bị lệch trong các thiết bị hạng nặng, hãy nghĩ rằng các nhà máy cuộn, vận thăng và máy chế biến thép. Nó có một khớp nối toàn cầu flex ngắn gọn nhỏ gọn, với đường kính hướng dẫn dao động từ 45mm đến 390mm. Ngay cả khi trục tắt lên tới 25 độ (sai lệch góc), nó vẫn di chuyển mô -men xoắn hiệu quả.
Chúng tôi làm cho nó với thép 35crmo cường độ cao và thêm bốn vòng bi kim, vì vậy nó giữ dưới tải trọng nặng. Đó là lý do tại sao nó lại là một lựa chọn vững chắc cho các khớp nối máy móc công nghiệp, và hoạt động tuyệt vời như các thiết bị nặng hàn các khớp nối phổ biến ở các điểm mà tải trọng không ngừng. Thiết kế ngắn gọn của nó là hoàn hảo cho các máy móc có ít chỗ cho chuyển động dọc trục, cũng vậy, có một cách khắc phục truyền tải khó khăn cho các không gian công nghiệp khó khăn.
Raydafon, một nhà sản xuất có trụ sở tại Trung Quốc với chứng nhận ISO 9001, vì vậy chúng tôi tuân thủ các quy tắc chất lượng nghiêm ngặt cho mỗi khớp nối toàn cầu SWC-DH. Trục chéo có một tấm chrome để chống ăn mòn, vì vậy nó kéo dài ngay cả khi điều kiện khắc nghiệt. Ách hàn làm cho việc cài đặt dễ dàng hơn, quá, chỉ cần xếp các trục đúng, và nó hoạt động tốt nhất. Bạn sẽ tìm thấy nó trên thiết bị trong hệ thống luyện kim, khai thác và cần cẩu, không có vấn đề gì.
Thêm vào đó, khớp nối này có các kích cỡ khác nhau và xếp hạng mô -men xoắn. Nếu bạn cần một khớp nối phổ biến tùy chỉnh cho máy móc công nghiệp, nói rằng, người thu hoạch hoặc thiết bị cụ thể khác, chúng tôi có thể điều chỉnh nó theo nhu cầu của bạn và giá vẫn cạnh tranh. Chúng tôi đã có bí quyết sản xuất để làm cho khớp nối flex ngắn này cắt giảm thời gian ngừng hoạt động của thiết bị, vì vậy máy móc của bạn chạy một cách đáng tin cậy hơn về tổng thể.
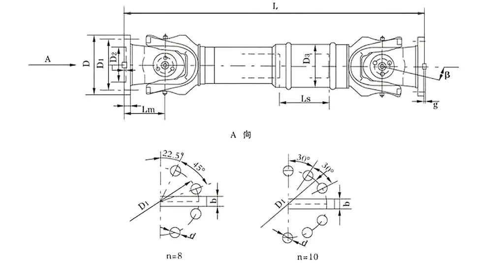
| KHÔNG. | Đường kính hướng dẫn d mm | Mô -men xoắn danh nghĩa TN Kn · m | Trục gấp góc β (°) | Mô -men xoắn mệt mỏi TF Kn · m | Số lượng uốn Ls mm | Kích thước (mm) | Quán tính xoay kg.m2 | Trọng lượng (kg) | |||||||||||
| Lmin | D1 (JS11) | D2 (H7) | D3 | Lm | N-D | k | t | b (H9) | g | Lmin | Tăng 100mm | Lmin | Tăng 100mm | ||||||
| SWC180DH1 | 180 | 20 | 10 | ≤25 | 75 | 650 | 155 | 105 | 114 | 110 | 8-17 | 17 | 5 | - | - | 0.165 | 0.0070 | 58 | 2.8 |
| SWC180DH2 | 55 | 600 | 0.162 | 56 | |||||||||||||||
| SWC180DH3 | 40 | 550 | 0.160 | 52 | |||||||||||||||
| SWC225DH1 | 225 | 40 | 20 | ≤15 | 85 | 710 | 196 | 135 | 152 | 120 | 20 | 5 | 32 | 9.0 | 0.415 | 0.0234 | 95 | 4.9 | |
| SWC225DH2 | 70 | 640 | 0.397 | 92 | |||||||||||||||
| SWC250DH1 | 250 | 63 | 31.5 | ≤15 | 100 | 795 | 218 | 150 | 168 | 140 | 8-19 | 25 | 6 | 40 | 12.5 | 0.900 | 0.0277 | 148 | 5.3 |
| SWC250DH2 | 70 | 735 | 0.885 | 136 | |||||||||||||||
| SWC285DH1 | 285 | 90 | 45 | ≤15 | 120 | 950 | 245 | 170 | 194 | 160 | 8-21 | 27 | 7 | 40 | 15.0 | 1.876 | 0.0510 | 229 | 6.3 |
| SWC285DH2 | 80 | 880 | 1.801 | 221 | |||||||||||||||
| SWC315DH1 | 315 | 125 | 63 | ≤15 | 130 | 1070 | 280 | 185 | 219 | 180 | 10-23 | 32 | 8 | 40 | 15.0 | 3.331 | 0.0795 | 346 | 8.0 |
| SWC315DH2 | 90 | 980 | 3.163 | 334 | |||||||||||||||
| SWC350DH1 | 350 | 180 | 90 | ≤15 | 140 | 1170 | 310 | 210 | 267 | 194 | 10-23 | 35 | 8 | 50 | 16.0 | 6.215 | 0..2219 | 508 | 15.0 |
| SWC350DH2 | 90 | 1070 | 5.824 | 485 | |||||||||||||||
| SWC390DH1 | 390 | 250 | 125 | ≤15 | 150 | 1300 | 345 | 235 | 267 | 215 | 10-25 | 40 | 8 | 70 | 18.0 | 11.125 | 0.2219 | 655 | |
| SWC390DH2 | 90 | 1200 | 10.763 | 600 | |||||||||||||||
* 1. TF-dưới tải trọng mô-men xoắn cho phép theo cường độ mệt mỏi. * 2. Lmin-chiều dài ít nhất sau khi cắt. * 3. Độ dài cài đặt l, theo yêu cầu
Khớp nối khớp toàn cầu SWC, thường được gọi là khớp nối khớp toàn bộ trục SWC Cardan, là một thành phần chính trong các kịch bản công nghiệp hạng nặng. Nó là không thể thiếu đối với các nhà máy lăn, máy móc treo và các hệ thống máy móc hạng nặng quy mô lớn khác nhau. Là một khớp nối khớp toàn cầu mô-men xoắn cao, nó có thể kết nối hiệu quả hai trục truyền với các trục không phải là trục, đảm bảo truyền điện không bị gián đoạn ngay cả trong điều kiện làm việc phức tạp và khắc nghiệt.
Các thông số kỹ thuật cốt lõi của khớp nối này như sau:
Đường kính quay vòng: φ58 - φ620
Mô -men xoắn danh nghĩa: 0,15 - 1000 kN · m
Góc gập trục: ≤25 °
Trong các ứng dụng thực tế, nó thực hiện đặc biệt tốt. Ví dụ, trong các hoạt động của nhà máy lăn, khi một khớp nối khớp phổ biến hạng nặng đáng tin cậy dành riêng cho các nhà máy cuộn là cần thiết, hoặc trong việc nâng và xử lý vật liệu, khi cần có khớp nối trục chung SWC phổ biến, sản phẩm này hoàn toàn có khả năng. Ngay cả dưới tải trọng nặng, nó có thể duy trì ổn định ổn định hoạt động của thiết bị.
Khớp nối chung SWC Universal được thiết kế bằng các nguyên tắc kỹ thuật tiên tiến, mang lại hiệu suất đặc biệt và tuổi thọ dịch vụ dài hơn trong môi trường công nghiệp. Các tính năng cấu trúc chính của nó như sau:
Cấu trúc hợp lý và an toàn: Với thiết kế đầu ngã ba tích hợp, khớp nối khớp toàn cầu công nghiệp này làm giảm nguy cơ nới lỏng bu lông hoặc phá vỡ, tăng cường độ cấu trúc lên 30%-50%. Thiết kế này đảm bảo hoạt động an toàn và đáng tin cậy, kéo dài tuổi thọ so với các mô hình truyền thống và ngăn chặn những thất bại chung trong các kịch bản áp suất cao như hệ thống khớp nối chung của máy móc hạng nặng.
Khả năng chịu tải tăng cường: Khớp nối toàn cầu hạng nặng SWC được thiết kế đặc biệt để chịu tải trọng nặng, làm cho nó trở nên cần thiết trong các kịch bản đòi hỏi phải quản lý tải tuyệt vời như khai thác hoặc máy móc xây dựng.
Hiệu quả truyền cao: Với hiệu quả lên tới 98,6%, khớp nối chung phổ biến hiệu quả này để truyền công suất cao làm giảm đáng kể mức tiêu thụ năng lượng và chi phí liên quan, làm cho nó trở thành lựa chọn đầu tiên cho các giải pháp khớp nối chung tiết kiệm năng lượng trong các hệ thống truyền công nghiệp công suất cao.
Hoạt động ổn định với nhiễu thấp: Khớp nối phổ quát nhiễu thấp này hoạt động ổn định với mức độ nhiễu thường trong khoảng 30-40 dB (A), đảm bảo hiệu suất yên tĩnh. Đó là lý tưởng cho môi trường nhạy cảm với tiếng ồn trong khi duy trì độ tin cậy cao.
Các khớp nối chung của Universal, đặc biệt là khớp nối chung trục SWC Cardan, đã trở thành các thành phần truyền không thể thiếu trong các ứng dụng công nghiệp do lợi thế nổi bật của chúng. Họ có thể đáp ứng nhu cầu cốt lõi với hiệu suất của họ trong các lĩnh vực như máy móc hạng nặng, sản xuất chính xác và truyền năng lượng. Dưới đây là phân tích chi tiết về lợi thế chính của họ:
1. Truyền mô -men xoắn mạnh mẽ và bồi thường sai lệch tuyệt vời
Là một khớp nối khớp toàn cầu mô-men xoắn cao, nó có thể truyền tải tải trọng cao. Ngay cả trong các kịch bản trong đó sự sai lệch trục thường xảy ra thường xuyên trong các hoạt động của nhà máy lăn, ví dụ như bù trục do hao mòn và thay đổi nhiệt độ trong quá trình lăn thép, điều này đáng tin cậy, khớp nối khớp toàn cầu đáng tin cậy cho các hoạt động của nhà máy lăn có thể dễ dàng xử lý nó. Nó có thể đồng thời bù cho các sai lệch góc, trục và xuyên tâm, với độ lệch góc tối đa lên đến 25 độ. Khả năng thích ứng sai lệch tuyệt vời này ngăn ngừa kẹt xe gây ra bởi sai lệch trục, đảm bảo cung cấp năng lượng liên tục và ổn định, làm giảm đáng kể xác suất thất bại cơ học trong điều kiện làm việc cực đoan và đảm bảo hoạt động liên tục của dây chuyền sản xuất.
2. Độ bền cao và tuổi thọ cao hơn
Việc thiết kế và lựa chọn vật liệu của các khớp nối chung toàn cầu SWC được tập trung vào "chống lại tải trọng nặng và chịu được môi trường khắc nghiệt". Cơ thể chính được làm bằng thép hợp kim cường độ cao, kết hợp với cấu trúc đầu ngã ba tích hợp, về cơ bản làm giảm các điểm thất bại phổ biến như nới lỏng bu lông và phá vỡ thành phần. Lấy khớp nối trục khớp toàn cầu SWC bền được sử dụng trong việc nâng và xử lý vật liệu làm ví dụ, nó có thể chịu được tải trọng tác động tức thời khi nâng các vật nặng và duy trì hiệu suất ổn định trong môi trường khắc nghiệt như bụi và nhiệt độ cao. So với các khớp nối cấu trúc phân chia truyền thống, khớp nối khớp toàn cầu công nghiệp này có sức mạnh tổng thể tăng 30%-50%, không chỉ làm giảm tần suất bảo trì hàng ngày mà còn kéo dài tuổi thọ trong 2-3 năm. Nó đặc biệt phù hợp cho các nhu cầu hoạt động tải cao dài hạn của các hệ thống khớp nối chung máy móc hạng nặng.
3. Hiệu quả truyền cao và hiệu ứng tiết kiệm năng lượng đáng kể
Các thử nghiệm đã chỉ ra rằng hiệu quả truyền của khớp nối khớp toàn cầu hạng nặng SWC cao tới 98,6%, có lợi thế rõ ràng trong các kịch bản truyền tải công nghiệp năng lượng cao như quạt lò cao trong các nhà máy thép và hệ thống truyền tải than trong các nhà máy điện. Đối với các thiết bị yêu cầu truyền công suất cao liên tục, phù hợp với khớp nối chung phổ biến hiệu quả này để truyền tải điện lớn có thể giảm thiểu mất điện. Đối với các doanh nghiệp theo đuổi các giải pháp khớp nối chung tiết kiệm năng lượng, hiệu quả cao này có thể được chuyển đổi trực tiếp thành lợi thế về chi phí: lấy một động cơ công nghiệp 1500kW làm ví dụ, nó có thể tiết kiệm hơn 12.000 nhân dân tệ chi phí điện mỗi năm và có thể giúp các doanh nghiệp giảm chi phí hoạt động đáng kể.
4. Hoạt động ổn định và yên tĩnh, phù hợp cho nhiều tình huống
Bằng cách tối ưu hóa độ chính xác phù hợp với ổ trục và sử dụng mỡ bôi trơn với hệ số ma sát thấp, nhiễu hoạt động của khớp nối chung tiếng ồn thấp này được kiểm soát nghiêm ngặt ở mức 30-40 dB (A), tương đương với độ ồn xung quanh của văn phòng hàng ngày và tuân thủ đầy đủ các tiêu chuẩn phát thải tiếng ồn. Trong các kịch bản nhạy cảm với tiếng ồn, chẳng hạn như các dây chuyền sản xuất trong các nhà máy chế biến thực phẩm và truyền tải thiết bị cho các thành phần điện tử chính xác, nó không chỉ đảm bảo tính ổn định và độ tin cậy của hệ thống truyền mà còn tránh ảnh hưởng đến môi trường hội thảo hoặc trải nghiệm vận hành của nhân viên do tiếng ồn. Đồng thời, các đặc tính truyền ổn định cũng có thể làm giảm độ mòn của các bộ phận xung quanh do rung động thiết bị, cải thiện hơn nữa sự ổn định vận hành và tuổi thọ dịch vụ của toàn bộ hệ thống sản xuất.
Khớp nối phổ biến kiểu hàn ngắn SWC-DH, thường được gọi là khớp nối khớp toàn bộ trục SWC Cardan, chủ yếu được sử dụng trong các kịch bản máy móc hạng nặng như máy cuộn và vận thăng. Loại thiết bị này có các yêu cầu cực kỳ cao đối với sự nén chặt và linh hoạt về cấu trúc chỉ bằng cách đáp ứng hai điểm này có thể đạt được hoạt động hiệu quả và sự kết hợp này đáp ứng hoàn hảo các nhu cầu đó. Là một khớp nối khớp toàn cầu mô-men xoắn cao, nó có thể kết nối hiệu quả hai trục truyền với các trục không liên lạc, đảm bảo truyền điện liền mạch ngay cả trong môi trường công nghiệp khắc nghiệt đòi hỏi phải bù chính xác cho sự sai lệch của hệ thống trục.
Trong các ứng dụng thực tế, cho dù một khớp nối khớp toàn cầu hạng nặng đáng tin cậy cho các hoạt động của nhà máy lăn là cần thiết trong quá trình làm việc của nhà máy lăn, hoặc một khớp nối trục chung SWC bền vững là cần thiết trong việc nâng và xử lý vật liệu, sản phẩm này có thể thực hiện xuất sắc. Lợi thế khả năng thích ứng của nó đặc biệt nổi bật trong bố cục thiết bị nhỏ gọn trong đó không gian bị hạn chế và cần thiết kế cấu trúc linh hoạt ngắn.
Khớp nối chung công nghiệp SWC-DH này được xây dựng với công nghệ kỹ thuật tiên tiến và được tối ưu hóa cho cuộc sống hiệu suất và dịch vụ dành riêng cho các kịch bản công nghiệp. Đặc điểm cấu trúc cốt lõi của nó nằm trong thiết kế hợp lý và an toàn của nó: cấu trúc đầu ngã ba tích hợp về cơ bản loại bỏ các nguy cơ ẩn của nới lỏng hoặc phá vỡ, làm tăng sức mạnh tổng thể lên 30%-50%. Thiết kế này không chỉ đảm bảo sự an toàn và độ tin cậy của hoạt động mà còn kéo dài tuổi thọ của dịch vụ so với các mô hình truyền thống, đồng thời tránh các vấn đề thất bại phổ biến trong các kịch bản ứng dụng căng thẳng cao như hệ thống khớp nối chung của máy móc hạng nặng.
Ngoài ra, khả năng chịu tải của nó được tăng cường thông qua thiết kế để chịu được trọng số lớn hơn, do đó, khớp nối khớp toàn cầu hạng nặng SWC này rất phù hợp cho các kịch bản với các yêu cầu nghiêm ngặt về khả năng chịu tải, như máy móc khai thác và thiết bị xây dựng. Về hiệu quả truyền tải, nó đạt tới 98,6%. Là một khớp nối chung phổ quát hiệu quả để truyền năng lượng lớn, nó có thể giảm đáng kể chi phí tiêu thụ năng lượng và chi phí điện, làm cho nó trở thành một sản phẩm ưa thích cho các giải pháp khớp nối chung tiết kiệm năng lượng trong lĩnh vực truyền công nghiệp năng lượng cao.
Cuối cùng, sự kết hợp này có tính năng truyền ổn định, với nhiễu hoạt động thường được kiểm soát ở mức 30-40 dB (a), làm cho nó trở thành một khớp nối khớp phổ quạt thấp. Đặc điểm này cho phép nó hoạt động lặng lẽ ngay cả trong các kịch bản công nghiệp nhạy cảm với tiếng ồn trong khi vẫn duy trì độ tin cậy cao mọi lúc.
Wang Lei, Kỹ sư dự án, Công ty TNHH Máy móc hạng nặng Quảng Đông.
Chúng tôi đã sử dụng Raydafon, SWC-DH SWORD HEAD SWORDING COOUPLING COUPLING trong máy móc hạng nặng của chúng tôi trong một thời gian, và nó là một bất ngờ thú vị, đặc biệt là khi phù hợp với các điểm chặt chẽ. Thiết bị của chúng tôi có không gian khá hạn chế cho các bộ phận truyền dẫn, nhưng thiết kế nhỏ gọn khớp nối này phù hợp như một chiếc găng tay, không cần phải sắp xếp lại các thành phần khác chỉ để làm cho nó hoạt động.
Điều mà thậm chí còn tốt hơn là nó không hy sinh hiệu suất cho kích thước. Nó vẫn mang đến sự truyền tải mô-men xoắn mạnh mẽ, ổn định cho các hoạt động hạng nặng của chúng tôi. Chúng tôi đã chạy nó liên tục trong nhiều tuần, và ở đó không có rung động bất thường; Toàn bộ hệ thống vẫn mượt mà. Chất lượng hàn là một điểm nổi bật khác, bạn có thể nói rằng nó rắn chắc chỉ bằng cách nhìn vào nó, điều này mang lại cho chúng ta sự tự tin hoàn toàn mà nó sẽ giữ được sử dụng nặng dài hạn. Đối với một sự kết hợp cân bằng thiết kế và độ tin cậy tiết kiệm không gian, đây là một người chiến thắng.
⭐⭐⭐⭐⭐ Zhao Ming, Giám đốc mua sắm, Công ty TNHH Thiết bị thép Thiên Tân.
Gần đây, chúng tôi đã đặt hàng một số khớp nối SWC-DH từ Raydafon, và tôi phải nói rằng, toàn bộ quá trình mua sắm là một cơn gió nhẹ không đau đầu, không chậm trễ. Từ thời điểm chúng tôi gửi theo thứ tự, nhóm của họ đã phản hồi và việc giao hàng đã xuất hiện ngay vào ngày dự kiến, đây là một điểm cộng lớn để giữ cho sản xuất của chúng tôi đi đúng hướng. Bao bì cũng là hàng đầu: mỗi khớp nối được bọc an toàn, không có vết lõm hoặc hư hỏng trong quá trình vận chuyển, chỉ cần Unbox và cài đặt.
Nhóm kỹ thuật của chúng tôi đã xử lý thiết lập và họ đã đề cập ngay rằng nó dễ dàng gắn kết như thế nào. Không có các bước phức tạp, không cần phải săn lùng các công cụ đặc biệt mà họ đã phù hợp nhanh chóng, và nó đã chạy một cách đáng tin cậy kể từ đó. Khi bạn tính đến mức giá hợp lý được kết hợp với hiệu suất nhất quán này, nó rõ ràng khớp nối này mang lại giá trị lớn. Chúng tôi đã lên kế hoạch để giữ nó trong danh sách mua sắm thường xuyên của chúng tôi; Nó là loại sản phẩm làm cho công việc của tôi như một người mua dễ dàng hơn.
Liu Hong, Giám đốc bảo trì, Nhóm công nghiệp Sơn Đông
Là một người giám sát bảo trì thiết bị, ưu tiên lớn nhất của tôi là cắt giảm thời gian chết và giảm thời gian nhóm của tôi dành cho việc phục vụ các bộ phận. Khớp nối Raydafon từ SWC-DH kiểm tra cả hai hộp đó một cách hoàn hảo. Chúng tôi sử dụng nó trong các thiết bị chạy dưới khối lượng công việc nặng nề hàng ngày và nó không bao giờ trượt hoặc thay đổi các loại tại chỗ, không có kết nối lỏng lẻo. Ngay cả sau nhiều tháng sử dụng, vẫn có bất kỳ dấu hiệu mòn nào, đó là một sự tương phản rất lớn với các khớp nối khác mà chúng tôi đã sử dụng trước đây.
Với những khớp nối cũ hơn, chúng tôi luôn lên lịch sửa lỗi nhanh hoặc thay thế một phần, ăn vào thời gian sản xuất và tăng thêm chi phí. Cái này? Chúng tôi hầu như không chạm vào nó, không có dịch vụ thường xuyên, không có sự cố bất ngờ. Nó đã tiết kiệm cho chúng tôi rất nhiều thời gian và tiền bạc để bảo trì, và nó chỉ tiếp tục thực hiện công việc của mình một cách đáng tin cậy. Ngày nay, nó trở thành một thành phần đi trong hoạt động hàng ngày của chúng tôi; Tôi không phải lo lắng về việc nó thất bại, điều này cho phép tôi tập trung vào các ưu tiên khác. Nó chính xác là loại phần đáng tin cậy mà mọi nhóm bảo trì cần.
Địa chỉ
Khu công nghiệp Luotuo, Quận Zhenhai, Thành phố Ningbo, Trung Quốc
điện thoại


+86-574-87168065


Khu công nghiệp Luotuo, Quận Zhenhai, Thành phố Ningbo, Trung Quốc
Bản quyền © Raydafon Technology Group Co., giới hạn tất cả các quyền.
Links | Sitemap | RSS | XML | Chính sách bảo mật |
